Naša séria RCS prostredníctvom profesionálneho dizajnu a technickej výroby vyhovuje rôznym potrebám tesnenia tesnenia piestových prútov, ktoré poskytujú presné riešenia od všeobecných scenárov až po extrémne pracovné podmienky.
Pokiaľ ide o štrukturálny návrh, základné modely sú zamerané na stabilitu a ľahké použitie: RCS101/103 zvyšuje stabilitu vkladania prostredníctvom predvídajúcich O-krúžkov alebo pomocných pier, najmä v prípade krátkych ťahov; RCS102/104R/117R podporuje vyššie tlaky optimalizáciou kompatibility materiálu a drážky (napríklad RCS102R pre štandardné scenáre vysokotlaku drážok). V prípade pneumatických systémov RCS105/205 prijíma špeciálny dizajn pier na udržanie lubrikačného olejového filmu a prispôsobenie sa prostredia mazacieho/nemilovania.
Ruichen Seals sa tiež zameriava na materiál a funkčné inovácie. Modely, ako je RCS118/119/124-129, používajú polytetrafluóretylén (PTFE) alebo polyuretán ako hlavné telo, v kombinácii s pružinami alebo O-krúžkami O-krúžkov, aby ste dosiahli nízke trenie, anti-vyschnuté opotrebenie a koróznu odolnosť, spĺňajú požiadavky na čistenie a čistotu teploty v chemickom a potravinovom vybavení. RCS129 môže tvoriť tesniaci systém s RCS101, ktorý je vhodný pre pešie stroje a ťažké hydraulické vybavenie; RCS126-128 optimalizuje nízkotlakové tesnenie prostredníctvom asymetrického dizajnu V-kusu a je prispôsobené pre farmaceutický a chemický priemysel.
Pre komplexné pracovné podmienky majú RCS120/138 a ďalšie dvojité pôsobiace tesnenia integrovaný konštrukcia podporného kruhu, ktorý je odolný voči vysokému tlaku a skresleniu a prispôsobuje sa kompaktným drážkam; RCS131 je náhrada O-krúžku, ktorá je odolná voči extrúzii a chemickej rezistencii a stala sa preferovanou voľbou pre potravinový a farmaceutický priemysel. A RCS116/216 môžu rýchlo opraviť staré valce prostredníctvom inštalácie príslušenstva, aby sa znížili náklady na prestoje.
Séria RCS pomáha zákazníkom vyrovnať sa s vysokými tlakovými, vysokými rýchlosťami, korozívnymi médiami a špeciálnymi priemyselnými výzvami a zlepšovať spoľahlivosť a život zariadenia.
Funkcie a aplikácie produktu:
Tesnenie tesnenia piestovej tyče sú vhodné pre hydraulické valce a valce, inžinierske vozidlá, poľnohospodárske stroje, žeriavy a morské hydraulické vybavenie, obrábacie stroje.
Používa sa v ťažkých priemyselných strojoch, lisoch, chemickom priemysle, rýchlych ropných valcoch a polohovacích strojoch, farmaceutickom priemysle.
Výhody
Tesnenie tesnenia piestovej tyče sú stabilne zabudované do drážky so širokým teplotným rozsahom, vynikajúcim statickým a dynamickým tesniacim výkonom a silnou schopnosťou obnovy oleja za dynamických podmienok. Nízke trenie, žiadne plazivé, vysoké odolnosť proti opotrebeniu, nízke statické hodnoty a trenie, iba dobrý výkon anti-extrúz, dobrá tepelná vodivosť a široký teplotný rozsah.
Vhodné pre staré piestové tyče, otvorte typ ľahko inštalácie plazivosti.

RCS101
Veľkosť objednávky
Φd ...... Vonkajší priemer
Φd ...... vnútorný priemer
L ...... šírka drážky
| Povrchová úprava | R TMAX (μm) | RA (μm) |
| Posuvný povrch zodpovedajúci gumové/polyuretánové tesnenia Posuvné tesnenia PTFE zhodné s povrchom | ≤2,5 ≤2 | ≤0,1-0.5 ≤0,05-0.3 |
| Drážka dna Drážková strana | ≤6.3 ≤15 | ≤1.6 ≤3 |
| Pomer dĺžky podpory profilu TP | 50%-95% |
|
| Tolerancia | |
| Φd | f8 |
| Φd | H10 |
Príklad
Model: RCS101
Veľkosť drážky: 100x115x10
Materiál: RC-PU-H

Typ tesnenia: RCS101, RCS102, RCS103, RCS104, RCS205, RCS106, RCS107, RCS108, RCS117, RCS121
Hlavná aplikácia: Vhodné pre hydraulické a pneumatické valce
Výhody: Stabilné vloženie do drážky, široký teplotný rozsah, vynikajúci statický a dynamický tesniaci výkon, silná schopnosť extrakcie oleja v dynamických podmienkach.
Materiál: polyuretán, guma
| Príklady pečate | Nasledujú štandardné rozmery drážok (je možné vyrobiť prachové tesnenia akejkoľvek veľkosti v rozsahu veľkosti) | ||||||||
![]() |
![]() |
Φd | Φd | L | c/s | Maximálna medzera | |||
| 100 bar | 250bar | 400 -bar | |||||||
| 5-24.9 | Φd+8 | 6.3 | 4 | 0.50 | 0.35 | 0.25 | |||
| 25-49.9 | Φd+10 | 8 | 5 | 0.50 | 0.35 | 0.25 | |||
| 50-149.9 | Φd+15 | 10 | 7.5 | 0.50 | 0.35 | 0.25 | |||
| 150-229.9 | Φd+20 | 14 | 10 | 0.50 | 0.35 | 0.25 | |||
| 300-499.9 | Φd+25 | 17 | 12.5 | 0.50 | 0.35 | 0.25 | |||
| 500-699.9 | Φd+30 | 25 | 15 | 0.50 | 0.35 | 0.25 | |||
| > 700 | Φd+40 | 32 | 20 | 0.60 | 0.40 | 0.30 | |||
| > 1000 | Φd+50 | 40 | 25 | 0.70 | 0.50 | 0.40 | |||

RCS109
Veľkosť objednávky
Φd ...... Vonkajší priemer
Φd ...... vnútorný priemer
L ...... šírka drážky
|
Povrchová úprava |
R TMAX (μm) |
RA (μm) |
|
Posuvný povrch zodpovedajúci gumové/polyuretánové tesnenia Posuvné tesnenia PTFE zhodné s povrchom |
≤2,5
≤2 |
≤0,1-0.5
≤0,05-0.3 |
|
Drážka dna Drážková strana |
≤6.3 ≤15 |
≤1.6 ≤3 |
|
Pomer dĺžky podpory profilu TP |
50%-95% |
|
|
Tolerancia |
|
|
Φd |
f8 |
|
Φd |
H10 |
Príklad
Model: RCS109
Veľkosť drážky: 100x115.1x6.3
Materiál: PTFE3+NBR

Typ tesnenia: RCS109
Hlavná aplikácia: inžinierske vozidlá, poľnohospodárske stroje, žeriavy, morské hydraulické vybavenie, obrábacie náradie.
Výhody: Nízke trenie, žiadne tečenia, vysoká odolnosť proti opotrebeniu, iba dobrý výkon anti-extrúzne, dobrá tepelná vodivosť, stabilná vkladajúca drážka, široký rozsah teploty.
Materiál: tetrafluóretylén, guma nitrilu alebo fluór
|
Príklady pečate |
Nasledujú štandardné rozmery drážok (je možné vyrobiť prachové tesnenia akejkoľvek veľkosti v rozsahu veľkosti) |
||||||||
|
|
|
Φd |
Φd |
L |
c/s |
Maximálna medzera |
|||
|
100 bar |
200 bar |
400 -bar |
|||||||
|
5-7.9 |
Φd+4.9 |
2.2 |
2.45 |
0.30 |
0.20 |
0.15 |
|||
|
8-18.9 |
Φd+7.3 |
3.2 |
3.64 |
0.40 |
0.25 |
0.15 |
|||
|
19-37.9 |
Φd+10,7 |
4.2 |
5.35 |
0.40 |
0.25 |
0.20 |
|||
|
38-199.9 |
Φd+15.1 |
6.3 |
7.55 |
0.50 |
0.30 |
0.20 |
|||
|
200-255,9 |
Φd+20,5 |
8.1 |
10.25 |
0.60 |
0.35 |
0.25 |
|||
|
256-649.9 |
Φd+24 |
8.1 |
12 |
0.60 |
0.35 |
0.25 |
|||
|
650-1000 |
Φd+27.3 |
9.5 |
13.65 |
0.70 |
0.50 |
0.30 |
|||
|
> 1000 |
Φd+38 |
13.8 |
19 |
1.00 |
0.70 |
0.50 |
|||

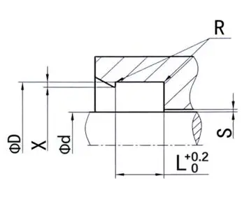
RCS110-112
Veľkosť objednávky
Φd ...... Vonkajší priemer
Φd ...... vnútorný priemer
L ...... šírka drážky
|
Povrchová úprava |
R TMAX (μm) |
RA (μm) |
|
Posuvný povrch zodpovedajúci gumové/polyuretánové tesnenia Posuvné tesnenia PTFE zhodné s povrchom |
≤2,5
≤2 |
≤0,1-0.5
≤0,05-0.3 |
|
Drážka dna Drážková strana |
≤6.3 ≤15 |
≤1.6 ≤3 |
|
Pomer dĺžky podpory profilu TP |
50%-95% |
|
|
Tolerancia |
|
|
Φd |
f8 |
|
Φd |
H10 |
Príklad
Model: RCS110-112
Veľkosť drážky: 100x120x32
Materiál: RC-PU-H+POM

Typ tesnenia: RCS110-112, RCS126-128
Hlavná aplikácia: V prípade ťažkých priemyselných strojov, lisy
Výhody: Vhodné pre staré piestové tyče, otvorený typ ľahko inštalovateľný Creeper
Materiál: polyuretán, polyoxymetylén, nylon
|
Príklady pečate |
Nasledujú štandardné rozmery drážok (je možné vyrobiť prachové tesnenia akejkoľvek veľkosti v rozsahu veľkosti) |
|||||
|
|
|
Φd |
Φd |
L |
c/s |
|
|
10-39.9 |
Φd+10 |
16 |
5 |
|||
|
40-74,9 |
Φd+15 |
25 |
7.5 |
|||
|
75-149.9 |
Φd+20 |
32 |
10 |
|||
|
150-199.9 |
Φd+25 |
40 |
12.5 |
|||
|
200-299,9 |
Φd+30 |
50 |
15 |
|||
|
300-599.9 |
Φd+40 |
63 |
20 |
|||
|
> 600 |
Φd+40 |
80 |
20 |
|||
|
> 1000 |
Φd+50 |
100 |
25 |
|||

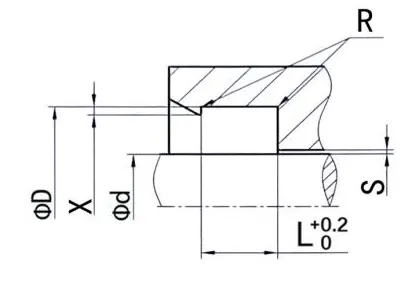
RCS119
Veľkosť objednávky
Φd ...... Vonkajší priemer
Φd ...... vnútorný priemer
L ...... šírka drážky
|
Povrchová úprava |
R TMAX (μm) |
RA (μm) |
|
Posuvný povrch zodpovedajúci gumové/polyuretánové tesnenia Posuvné tesnenia PTFE zhodné s povrchom |
≤2,5
≤2 |
≤0,1-0.5
≤0,05-0.3 |
|
Drážka dna Drážková strana |
≤6.3 ≤15 |
≤1.6 ≤3 |
|
Pomer dĺžky podpory profilu TP |
50%-95% |
|
|
Tolerancia |
|
|
Φd |
f8 |
|
Φd |
H10 |
Príklad
Model: RCS119
Veľkosť drážky: 100x109.4x7.1
Materiál: PTFE2+NBR

Typ tesnenia: RCS119
Hlavná aplikácia: chemický priemysel, rýchle valce a polohovacie stroje. Potravinový priemysel, farmaceutický priemysel.
Výhody: odolné voči vysokým teplotám a rôznym chemickým médiom, nízkym koeficientom trenia, bez tečenia, dobrých charakteristík suchého trenia, nízkymi statickými a trením.
Materiál: PTFE+Leaf Spring
|
Príklady pečate |
Nasledujú štandardné rozmery drážok (je možné vyrobiť prachové tesnenia akejkoľvek veľkosti v rozsahu veľkosti) |
|||||||||
|
|
|
Φd |
Φd |
L |
R |
X |
Maximálna medzera |
|||
|
100 bar |
200 bar |
400 -bar |
||||||||
|
10-19.9 |
D+4,5 |
3.6 |
0.4 |
0.6 |
0.15 |
0.10 |
0.07 |
|||
|
20-39,9 |
D+6.2 |
4.8 |
0.6 |
0.7 |
0.20 |
0.15 |
0.08 |
|||
|
40-119.9 |
D+9.4 |
7.1 |
0.8 |
0.8 |
0.25 |
0.20 |
0.10 |
|||
|
120-1000 |
D+12.2 |
9.5 |
0.8 |
0.9 |
0.30 |
0.25 |
0.12 |
|||
|
> 1000 |
D+19.0 |
15 |
0.8 |
0.9 |
0.50 |
0.40 |
0.20 |
|||



















































































Adresa
No.1 Ruichen Road, Dongliuting Industrial Park, Chengyang District, Qingdao City, Shandong Province, Čína
Tel