Zaviazali sme sa poskytovať „Trojné riešenie Trinity„ Ochranné tlak “pre každý scenár, ktorý vyžaduje otáčanie rotačných tesnení. Prostredníctvom 200+ materiálových vzorcov a štrukturálnych patentov pomáhame zákazníkom znižovať mieru zlyhania a dosiahnuť optimalizáciu TCO. Celá séria produktových modelov je veľmi rozmanitá. Môžete si vybrať podľa skutočných potrieb alebo prispôsobiť otáčanie rotačných tesnení od nás.
RCR101 Rotary Skeleton Single Lip Tesie, jednorazová inštalácia s otvorenou drážkou axiálna, široko používaná, väčšinou používaná ako ochranný prvok pre ložiská.
RCR102 Rotary Skeleton Double Lip TEAS, Single Acting, s pomocným perom odolnou do prachu, inštalácia axiálnej otvorenej drážky, široko používaná, väčšinou používaná ako ochranný prvok pre ložiská.
RCR103 Rotačné tesnenie, dvojité pôsobenie, s oporným krúžkom, lepší tesniaci účinok za rotačných podmienok vysokého tlaku.
RCR104, RCR105 Rotačné tesnenie, dvojité pôsobenie, úzka drážka, stabilné vloženie drážky a ozubené tesniace povrchy.
RCR106, RCR107 V, rotačné tesnenie v tvare V, axiálny pohyb, veľký elastický modul, odolnosť proti treniu, prach, znečisťujúce látky, striekanie vody, olejový striekanie atď.
Rotačné tesnenie RCR108, jednorazové pôsobenie, bez pružiny, interferencia vnútorných a vonkajších pier sa určuje podľa rôznych pracovných podmienok.
RCR109 O-krúžok, elastický krúžok, ktorý sa väčšinou používa na statické tesnenie alebo dynamické tesnenie, flexibilný výber média teploty. Podrobné drážky nájdete v vzorke O-krúžku.
RCR110 Rotary Tetrafluoroethylén pre hriadeľ, dvojité pôsobenie, vhodné pre úzke drážky.
RCR111 Rotary Tetrafluóretylén pre otvor, dvojité pôsobenie, vhodné pre úzke drážky.
Rotačné tesnenie RCR112, dvojité pôsobenie, úzka drážka, vhodná pre mazané pracovné podmienky.
Rotačné tesnenie RCR113, dvojité pôsobenie, s oporným krúžkom, stabilné vloženie drážky, čo umožňuje väčšiu medzeru a tlak extrúzie, väčšinou používané na rotujúce hriadeľ výkopu.
RCR115 Rotara tetrafluóretylénové tesnenie pre hriadeľ, dvojité pôsobenie, nízke trenie, vysokotlakový anti-bokový vysoký tlak, korózia anti-vysokej teploty.
RCR116 Rotara tetrafluóretylénové tesnenie pre otvor, dvojité pôsobenie, nízke trenie, vysokotlakový anti-bokový vysoký tlak, korózia anti-vysokej teploty.
RCR117, RCR121 Rotačné tesnenie PTFE, s pružinou MANDER, jednostupňujúcim odporom korózie vysokej teploty, vhodný na relatívne vysokú rýchlosť a vysoký tlak.
RCR118 END PTFE Rotačné tesnenie, s pružinou MANDER, jednostupňujúcim odporom korózie vysokej teploty, väčšinou používaných v chemickom priemysle.
RCR119 Rotary Skeleton Single Lip Tesie, jednorazové pôsobenie, inštalácia axiálnej otvorenej drážky, široko používaná, väčšinou používaná ako ochranný prvok pre ložiská.
RCR201, RCR202 Rotary Skeleton Double Lip TEAS, Single Acting, s prachovo odolnými pomocnými perami, inštaláciou axiálnej otvorenej drážky, široko používanej, väčšinou používanou ako ochranný prvok pre ložiská.
RCR203, RCR204 ROTAry Snere Skeleón bez jednej pery, jednorazové pôsobenie, pevná inštalácia s otvorenou drážkou axiálnej drážky, väčšinou používaná v ťažkých odvetviach, ako je metalurgia a stavba lodí.
RCR205 Cut-Of-Of-Of-On Rotary Skeleton bez jednotlivých pier, jednorazové pôsobenie, pevná inštalácia s otvorenou drážkou axiálnych otvorených drážok, väčšinou používaná v ťažkých odvetviach, ako je metalurgia a stavba lodí.
RCR206, RCR207 Cut-Of-Of-Of Rotary Remless Single Lip Tesie, jednorazové pôsobenie, pevná inštalácia Axial Open Groove Fixture, väčšinou používaná v ťažkých odvetviach, ako je metalurgia a stavba lodí. Tesľavé médium je vhodné na tesnenie nízkej rýchlosti, je to mastnotu na báze lítia.
Funkcie a aplikácie produktu:
Hlavné aplikácie
Otáčky rotačných tesnení sú vhodné na koncové tesnenie hriadeľa, tesnenie rotujúceho hriadeľa, rýpadlá, grabbery, rotačné kĺby, rotačné distribútory a tento typ tesnenia sa často používa v ropnom a chemickom priemysle
Výhody
Otáčky rotačných tesnení majú široký rozsah prispôsobiteľných rozsahov média a teploty, dobrý tesniaci účinok, vysoký tlak odpor, malú veľkosť prierezov, odpor s hydraulickým olejom, nízke trenie a žiadny jav sklzu.

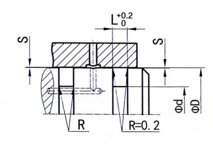
Rcr101
Veľkosť objednávky
Φd ...... Vonkajší priemer
Φd ...... vnútorný priemer
L ...... šírka drážky
|
Povrchová úprava |
R TMAX (μm) |
RA (μm) |
|
Posuvný povrch zodpovedajúci gumové/polyuretánové tesnenia Posuvné tesnenia PTFE zhodné s povrchom |
≤2,5
≤2 |
≤0,1-0.5
≤0,05-0.3 |
|
Drážka dna Drážková strana |
≤6.3 ≤15 |
≤1.6 ≤3 |
|
Pomer dĺžky podpory profilu TP |
50%-95% |
|
|
Tolerancia |
|
|
Φd |
f8 |
|
Φd |
H8 |
Príklad
Model: RCR101
Veľkosť drážky: 100x115x8
Materiál: NBR/POM

Typ tesnenia: RCR101, RCR102
Hlavná aplikácia: Vhodný na rotujúce koncové tesnenie hriadeľa
Výhody: Vhodný pre široký rozsah médií, široký teplotný rozsah a dobrý tesniaci efekt
Materiál: polyuretán, guma/polyoxymetylén
|
Príklady pečate |
Nasledujú štandardné rozmery drážok (môžu sa vyrobiť otočné tesnenia akejkoľvek veľkosti v rozsahu veľkosti) |
|||||
|
|
|
Φd |
Φd |
L |
c/s |
|
|
6-59.9 |
Φd+12 |
7 |
6 |
|||
|
60-139.9 |
Φd+15 |
8 |
7.5 |
|||
|
140-299.9 |
Φd+20 |
10 |
10 |
|||
|
300-499.9 |
Φd+30 |
12 |
15 |
|||
|
500-800 |
Φd+40 |
20 |
20 |
|||
|
> 800 |
Φd+50 |
22 |
25 |
|||

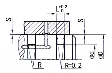
Rcr115
Veľkosť objednávky
Φd ...... Vonkajší priemer
Φd ...... vnútorný priemer
L ...... šírka drážky
|
Povrchová úprava |
R TMAX (μm) |
RA (μm) |
|
Posuvný povrch zodpovedajúci gumové/polyuretánové tesnenia Posuvné tesnenia PTFE zhodné s povrchom |
≤2,5
≤2 |
≤0,1-0.5
≤0,05-0.3 |
|
Drážka dna Drážková strana |
≤6.3 ≤15 |
≤1.6 ≤3 |
|
Pomer dĺžky podpory profilu TP |
50%-95% |
|
|
Tolerancia |
|
|
Φd |
f8 |
|
Φd |
H8 |
Príklad
Model: RCR115
Veľkosť drážky: 100x111x4.2
Materiál: PTFE4+NBR

Typ tesnenia: RCR115
Hlavná aplikácia: Vhodné pre tesnenia rotačnej hriadeľa, rýpadlá, grabbery, otočné spojy.
Výhody: Dokáže odolávať vysokému tlaku, má malú veľkosť prierezu, je odolný voči hydraulickému oleju, má nízky trenie a žiadny jav svižného paliva.
Materiál: tetrafluóretylén + guma nitrilu alebo fluórubber
|
Príklady pečate |
Nasledujú štandardné rozmery drážok (môžu sa vyrobiť otočné tesnenia akejkoľvek veľkosti v rozsahu veľkosti) |
||||||||
|
|
|
Φd |
Φd |
L |
R |
X |
Maximálne medzery s vytláčaním |
||
|
100 bar |
200bar |
||||||||
|
6-18.9 |
Φd+4.9 |
2.2 |
0.4 |
1.78 |
0.15 |
0.10 |
|||
|
19-37.9 |
Φd+7,5 |
3.2 |
0.6 |
2.62 |
0.20 |
0.15 |
|||
|
38-199.9 |
Φd+11 |
4.2 |
1.0 |
3.53 |
0.25 |
0.20 |
|||
|
200-255,9 |
Φd+15,5 |
6.3 |
1.3 |
5.33 |
0.30 |
0.25 |
|||
|
256-649.9 |
Φd+21 |
8.1 |
1.8 |
7.00 |
0.30 |
0.25 |
|||
|
> 650 |
Φd+28 |
9.5 |
2.5 |
8.40 |
0.45 |
0.30 |
|||

Rcr116
Veľkosť objednávky
Φd ...... Vonkajší priemer
Φd ...... vnútorný priemer
L ...... šírka drážky
|
Povrchová úprava |
R TMAX (μm) |
RA (μm) |
|
Posuvný povrch zodpovedajúci gumové/polyuretánové tesnenia Posuvné tesnenia PTFE zhodné s povrchom |
≤2,5
≤2 |
≤0,1-0.5
≤0,05-0.3 |
|
Drážka dna Drážková strana |
≤6.3 ≤15 |
≤1.6 ≤3 |
|
Pomer dĺžky podpory profilu TP |
50%-95% |
|
|
Tolerancia |
|
|
Φd |
f8 |
|
Φd |
H8 |
Príklad
Model: RCR116
Veľkosť drážky: 100x89x4.2
Materiál: PTFE4+NBR

Typ tesnenia: RCR116
Hlavná aplikácia: Vhodné pre koncové tesnenia rotačných hriadeľov, rýpadlá, grabbery, rotačné kĺby, rotačné distribútori.
Výhody: Je vhodný pre široký rozsah média a teploty, má dobrý tesniaci účinok, malú veľkosť prierezu, silný odpor voči hydraulickému oleju, nízke trenie a žiadny fenomén sklzu palice.
Materiál: tetrafluóretylén + guma nitrilu alebo fluórubber
|
Príklady pečate |
Nasledujú štandardné rozmery drážok (môžu sa vyrobiť otočné tesnenia akejkoľvek veľkosti v rozsahu veľkosti) |
||||||||
|
|
|
Φd |
Φd |
L |
R |
O-krúžok |
Maximálne medzery s vytláčaním |
||
|
100 bar |
200bar |
||||||||
|
8-39.9 |
Φd-4,9 |
2.2 |
0.4 |
1.78 |
0.15 |
0.10 |
|||
|
40-79,9 |
Φd-7.5 |
3.2 |
0.6 |
2.62 |
0.20 |
0.15 |
|||
|
80-132.9 |
Φd-11.0 |
4.2 |
1.0 |
3.53 |
0.25 |
0.20 |
|||
|
133-329.9 |
Φd-15.5 |
6.3 |
1.3 |
5.33 |
0.30 |
0.25 |
|||
|
330-669.9 |
Φd-21.0 |
8.1 |
1.8 |
7.00 |
0.30 |
0.25 |
|||
|
> 670 |
Φd-28.0 |
9.5 |
2.5 |
8.40 |
0.45 |
0.30 |
|||

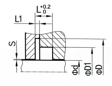
Rcr117
Veľkosť objednávky
Φd ...... Vonkajší priemer
Φd1 ...... Vonkajší priemer
Φd ...... vnútorný priemer
L ...... šírka drážky
L1 ...... šírka drážky
|
Povrchová úprava |
R TMAX (μm) |
RA (μm) |
|
Posuvný povrch zodpovedajúci gumové/polyuretánové tesnenia Posuvné tesnenia PTFE zhodné s povrchom |
≤2,5
≤2 |
≤0,1-0.5
≤0,05-0.3 |
|
Drážka dna Drážková strana |
≤6.3 ≤15 |
≤1.6 ≤3 |
|
Pomer dĺžky podpory profilu TP |
50%-95% |
|
|
Tolerancia |
|
|
Φd |
f8 |
|
Φd |
H8 |
Príklad
Model: RCR117
Veľkosť drážky: 100x117,5x110.5x7.1x1.8
Materiál: PTFE4+V

Typ tesnenia: RCR117
Hlavná aplikácia: Vhodný na rotujúce koncové tesnenie hriadeľa, tento typ tesnenia sa často používa v ropnom a chemickom priemysle
Výhody: Nízke trenie, odolnosť proti korózii, vysoký teplotný odpor, vhodný pre vysokú rýchlosť
Materiál: PTFE, pružina z nehrdzavejúcej ocele
|
Príklady pečate |
Nasledujú štandardné rozmery drážok (môžu sa vyrobiť otočné tesnenia akejkoľvek veľkosti v rozsahu veľkosti) |
|||||||||
|
|
|
Φd |
Φd |
FD1 |
L |
L1 |
Maximálne medzery s vytláčaním |
|||
|
20 bar |
100 bar |
200bar |
||||||||
|
5-19.9 |
Φd+9 |
Φd+5 |
3.6 |
0.85 |
0.25 |
0.15 |
0.10 |
|||
|
20-39,9 |
Φd+12.5 |
Φd+7 |
4.8 |
1.35 |
0.35 |
0.20 |
0.15 |
|||
|
40-399.9 |
Φd+17,5 |
Φd+10,5 |
7.1 |
1.8 |
0.50 |
0.25 |
0.20 |
|||
|
≥ 400 |
Φd+22 |
Φd+14 |
9.5 |
2.8 |
0.60 |
0.30 |
0.25 |
|||



















































Adresa
No.1 Ruichen Road, Dongliuting Industrial Park, Chengyang District, Qingdao City, Shandong Province, Čína
Tel