Ruichen je v popredí inovácie technológie tesnenia. Nezávisle vyvinuté vysokotlakové prachové tesnenia presne ukotvujú požiadavky na prachové časti pohyblivých častí a na vytvorenie vynikajúcej ochrany používajú prachové krúžky PTFE a O-krúžky. Pri práci O-krúžok aplikuje stabilné predpätie na kompenzáciu opotrebenia kruhu PTFE za všetkých okolností, čím zabezpečuje dlhodobú stabilitu tesnenia; Prachový krúžok používa materiály na plnenie proti oblečenia, aby silne odolali invázii prachu. Napríklad v kĺboch hydraulických valcov stavebných strojov, ktoré sú otočené k prachu na stavebnom mieste, vysokotlakové prachové tesnenia účinne blokujú vniknutie prachu a zabezpečujú hladkú prevádzku valca; Recipročné hojdacie spojenie robotického ramena automatizovanej výrobnej linky, jej prachové tesnenia chránia presné časti pred interferenciou prachu a udržiavajú vysoko presné operácie; A špirálové sprostredkujúce zariadenie banského zariadenia v prostredí rudného prachu, vysokotlakových tesnení prachu zaisťuje stabilnú prevádzku zariadenia, znižuje potenciálne poruchy a predĺži životnosť zariadenia. Ruichen Sealing sa už dlho zameriava na hĺbkový vývoj. Spoliehajúc sa na profesionálny tím a špičkové zariadenia môže nielen prispôsobiť vysokovýkonné tesniace materiály podľa potrieb zákazníkov a nezávisle kontrolovať kvalitu výroby, ale tiež vyhradzovať bohaté a rozmanité materiály, ako je polyoxymetylén, čo zákazníkom pomáha prekonať rôzne problémy s tesnením v jednej zastávke a spolupracovať na dosiahnutí nových výšok v priemysle.
Pracovné podmienky odolnosti proti prachom
| Profil | Model | Teplota (℃) | Rýchlosť (m/s) | Médium |
![]() |
RCF01 | -35 ~+100 (zodpovedajúci O-krúžkový NBR) | 6 | Hydraulický olej, emulzia, voda atď. |
| -20 ~+200 (zodpovedajúci O-Ring FKM) | ||||
![]() |
RCF02 | -35 ~+100 (zodpovedajúci O-krúžkový NBR) | 6 | Hydraulický olej, emulzia, voda atď. |
| -20 ~+200 (zodpovedajúci O-Ring FKM) | ||||
![]() |
Rcf03 | -35 ~+100 (zodpovedajúci O-krúžkový NBR) | 6 | Hydraulický olej, emulzia, voda atď. |
| -20 ~+200 (zodpovedajúci O-Ring FKM) | ||||
![]() |
RCF04 | -35 ~+100 (zodpovedajúci O-krúžkový NBR) | 6 | Hydraulický olej, emulzia, voda atď. |
| -20 ~+200 (zodpovedajúci O-Ring FKM) | ||||
![]() |
RCF05 | -35 ~+100 (zodpovedajúci O-krúžkový NBR) | 6 | Hydraulický olej, emulzia, voda atď. |
| -20 ~+200 (zodpovedajúci O-Ring FKM) |
Príklad objednávania:
Objednávka Model RCF01-80-PTFE3-R01
RCF01-model 80-hriadeľový priemer PTFE3-Universal modifikovaný PTFE R01-Matching Code Gumer Material Code
Nitril Gum (NBR) -R01 fluórubber (FKM) -R02
Objednávka Model RCF02-80-PTFE3-R01
RCF02-model 80-hriadeľový priemer PTFE3 Generálny modifikovaný kód porovnania gumového materiálu PTFER01
NBR (NBR) -R01 Fluororubber (FKM) -R02
Objednávací model RCFO3-80-PTFE3 -R01
RCF03-model 80-hriadeľový priemer PTFE3 Generálny modifikovaný kód PTFE R01-Matching Code
Nitril Gum (NBR) -R01 fluórubber (FKM) -R02
Objednávka Model RCF04-80-PTFE3-R01
RCF04-model 80-hriadeľový priemer PTFE3 Generál upravený PTFE R01-Matching Code
Nitril Gum (NBR) -R01 fluórubber (FKM) -R02
Objednávka Model RCF04-80-PTFE3-R01
RCF04-model 80-hriadeľový priemer PTFE3 Generál upravený PTFE R01-Matching Code
Nitril Gum (NBR) -R01 fluórubber (FKM) -R02
Objednávací model RCF05-80-PTFE3-R01
RCF05-model 80-hriadeľový priemer PTFE3 Generál upravený PTFE R01-Matching Code
Nitril Gum (NBR) -R01 fluórubber (FKM) -R02
Špecifikácie:
| Špecifikácie RCF01 (môžu byť poskytnuté produkty akejkoľvek veľkosti v rozsahu parametrov) | ||||||
| Priemer hriadeľa D F8 |
Priemer drážky D H9 |
Šírka drážky L+0.2 |
Priemer otvoru D1 H11 |
Šírka otvorenej diery ast |
Zaoblené rohy R< |
Priemer drôtu O-krúžku d0 |
| 19 ~ 39 | D+7,6 | 4.2 | D+1,5 | 3 | 0.8 | 2.65 |
| 40 ~ 69 | D+8.8 | 6.3 | D+1,5 | 3 | 0.8 | 2.65 |
| 70 ~ 139 | D+12.2 | 8.1 | D+2,0 | 4 | 0.8 | 3.55 |
| 140 ~ 399 | D+16.0 | 9.5 | D+2,5 | 5 | 1.5 | 5.30 |
| 400 ~ 649 | D+24,0 | 14 | D+2,5 | 8 | 1.5 | 7.00 |
| 650 ~ 1500 | D+27,3 | 16 | D+2,5 | 10 | 2.0 | 8.60 |
| Tabuľka parametrov špecifikácie RCF02, RCF03 (je možné poskytnúť produkty akejkoľvek veľkosti v rozsahu parametrov) | ||||||
| Priemer hriadeľa D F8 |
Priemer drážky D H9 |
Šírka drážky L+0.2 |
Priemer otvoru D1 H11 |
Šírka otvorenej diery ast |
Zaoblené rohy R< |
Priemer drôtu O-krúžku d0 |
| 4 ~ 11 | D+4,8 | 3.7 | D+1,5 | 2 | 0.4 | 1.8 |
| 12 ~ 64 | D+6,8 | 5 | D+1,5 | 2 | 0.7 | 2.65 |
| 65 ~ 250 | D+8.8 | 6 | D+1,5 | 3 | 1.0 | 3.55 |
| 251 ~ 420 | D+12.2 | 8.4 | D+2,0 | 4 | 1.5 | 5.30 |
| 421 ~ 650 | D+16.0 | 11 | D+2,0 | 4 | 1.5 | 7.00 |
| 651 ~ 1500 | D+20,0 | 14 | D+2,5 | 5 | 2.0 | 8.60 |
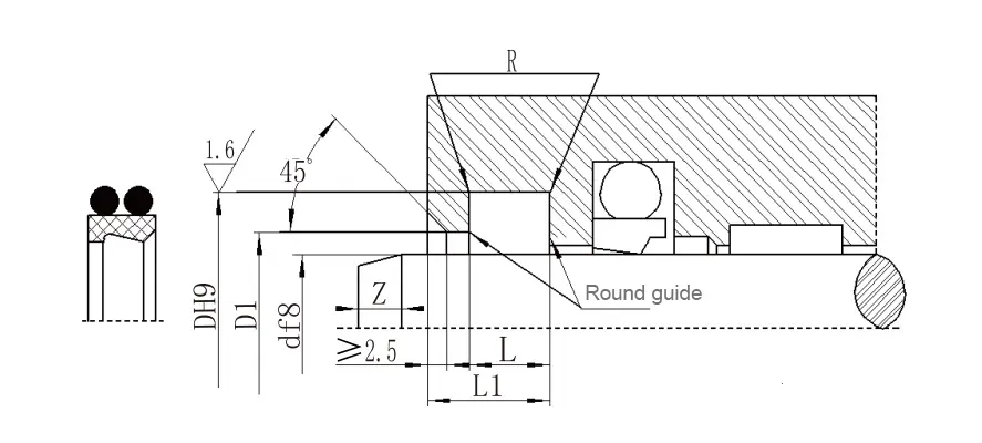
| Tabuľka parametrov špecifikácie RCF04 (je možné poskytnúť produkty akejkoľvek veľkosti v rozsahu parametrov) | ||||||
| Priemer hriadeľa D F8 |
Priemer drážky Dh9 |
Priemer krokov D1 H11 |
Šírka drážky L+0.2 |
Celková šírka L1 |
Okrúhle rohy Rmax | Dĺžka Zlín |
| 20 ~ 39,9 | D+7,6 | D+1 | 4.2 | 8.2 | 0.4 | 3 |
| 40 ~ 69,9 | D+8.8 | D+1,5 | 6.3 | 10.3 | 1.2 | 4 |
| 70 ~ 139,9 | D+12.2 | D+2,0 | 8.1 | 12.1 | 2 | 6 |
| 140 ~ 399.9 | D+16.0 | D+2,0 | 11.5 | 15.5 | 2 | 8 |
| 400 ~ 649,9 | D+24,0 | D+2,5 | 15.5 | 19.5 | 2 | 10 |
| 650 ~ 1000 | D+27,3 | D+2,5 | 18.0 | 23.0 | 2 | 12 |
| Tabuľka parametrov špecifikácie RCF05 (produkty akejkoľvek veľkosti v rozsahu parametrov je možné poskytnúť) | ||||||
| Priemer hriadeľa D F8 | Priemer drážky Dh9 | Priemer krokov D1 H11 | Šírka drážky L+0.2 |
Bočná šírka L1 |
Okrúhle rohy Rmax |
Dĺžka Zlín |
| 100 ~ 229 | D+22.2 | D+10,7 | 6.3 | 4.2 | 1.2 | 6 |
| 230 ~ 299 | D+24.2 | D+10,7 | 6.3 | 4.2 | 1.2 | 8 |
| 300 ~ 629 | D+33,0 | D+15.1 | 8.1 | 6.3 | 1.2 | 10 |
| 630 ~ 1000 | D+36,5 | D+15.1 | 9.5 | 6.3 | 2 | 12 |
Aplikácia:
Používa sa hlavne v poľnohospodárskych strojoch, hydraulických lisoch, vstrekovacích listoch, hydraulických riadiacich systémoch, vysokozdvižných vozíkoch, valcových lisoch, žeriavoch, zaťažení a vykladacích strojoch atď.











Adresa
No.1 Ruichen Road, Dongliuting Industrial Park, Chengyang District, Qingdao City, Shandong Province, Čína
Tel